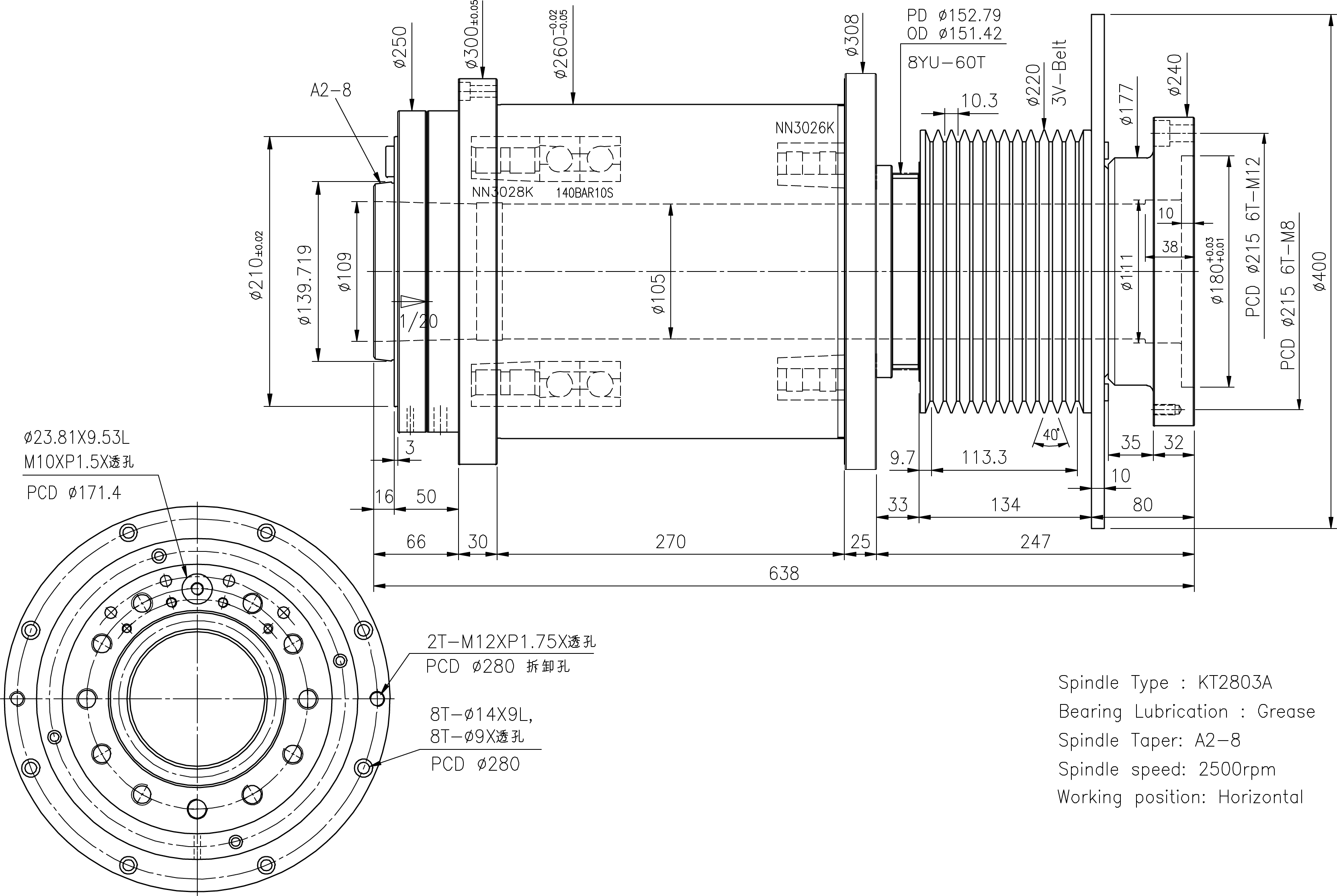
КТ2803А
КТ2803А
Носик шпинделя : A2-8
Внешний диаметр : 260 мм
Диаметр отверстия шпинделя 92 мм
Максимум. Скорость : 3000 об / мин
Размер подшипника : Ø130
Смазка подшипников : Консистентная смазка

Представляем наш усовершенствованный горизонтальный шпиндель с ременным приводом, разработанный, чтобы произвести революцию в ваших операциях горизонтальной обработки. С носиком шпинделя A2-8, внешним диаметром 260 мм и диаметром отверстия шпинделя 92 мм этот шпиндель обеспечивает выдающуюся производительность и универсальность.
Наш горизонтальный шпиндель с ременным приводом работает с максимальной скоростью 3000 об/мин, обеспечивая эффективную и точную высокоскоростную обработку. Размер подшипника Ø130 обеспечивает исключительную стабильность и точность, обеспечивая стабильные и превосходные результаты обработки.
Оснащенный надежной системой смазки, наш шпиндель гарантирует плавную и надежную работу. Усовершенствованный механизм смазки сводит к минимуму трение и износ, продлевая срок службы шпинделя и поддерживая стабильную производительность даже в сложных условиях обработки.
Испытайте передовые возможности нашего горизонтального шпинделя с ременным приводом. Благодаря точной конструкции, впечатляющим характеристикам и надежной системе смазки этот шпиндель позволяет производителям достигать исключительных результатов обработки в широком диапазоне задач горизонтальной обработки. Доверьтесь нашим передовым технологиям и опыту, чтобы вывести свои операции обработки на новый уровень точности, скорости и эффективности.